Hem
Normdetaljer
Kipp
Rohde
Pinet
Stuv
Elesa
Bednorz
Fema
Savigny
Fiama
Kaiser
Speedy Block
Pumpteknik
Brinkmann Pumps
Zuwa Pumps
Elmotorer
Kobold
Kampanj
Om oss
Intentiusgruppen
Nyheter
Nyhetsbrev
Kontakt
Personal
Normdetaljer
KIPP
>
Maskin- och spännelement
>
Rohrverbindungssystem, ..
>
Kreuzklemmstücke_2
Kreuzklemmstücke_2
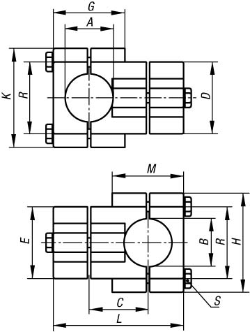
Artikelnummer:
29000_2
Produktinfo
Order No.
A
B
C
D
E
K
L
R
S
Approx. weight kg
G
H
M
29000-523030
30,2
30,2
38
45
45
62
83
46
M8x45
0,352
44
62
44
29000-524040
40,2
40,2
50
60
60
75
110
57
M8x60
0,645
60
75
60
Konstruktion
Skriv ut