Schnellspanner vertikal mit waagrechtem Fuß und verstellbarer Andruckspindel_1
Artikelnummer: 05908
Produktinfo
Material
Steel;
polyamide handle element
Yta
Nitro-carburized and black oxidized
Notera
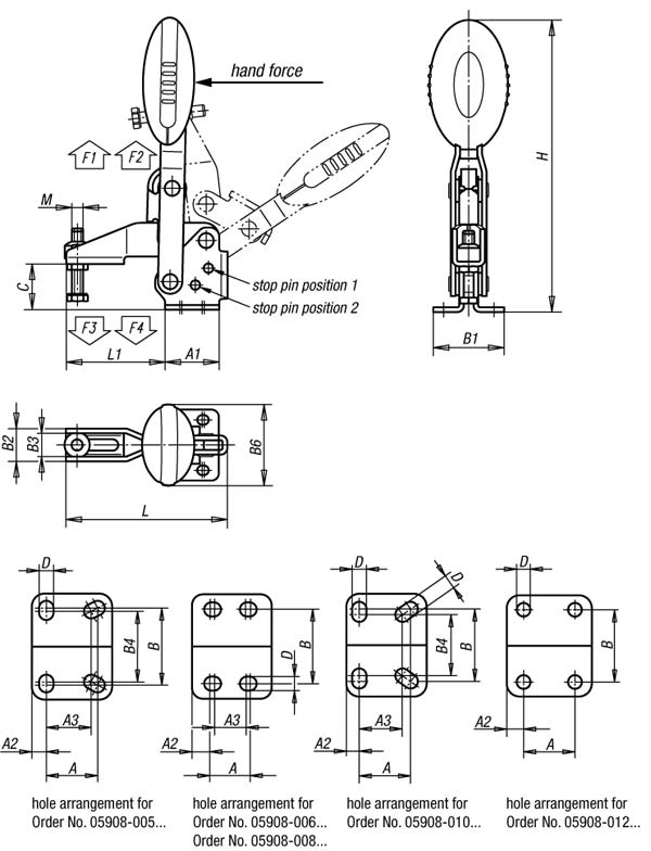
Maintenance-free, high-quality swivel bushings. Consistently constant use of force when opening and closing. Optimum stability is achieved through the conical clamping arm with U-profile.
See 05280, 05880, 07110, 07119, 07120, 07121, 07140, 07142 for accessories.
| Order No. | M | A | A1 | A2 | A3 | B | B1 | B2 | B3 | B4 | B6 | C | D | H | L | L1 | Opening angle of holding arm position 1 | Opening angle of holding arm position 2 | Opening angle of holding arm stop pin removed | Opening angle of handle position 1 | Opening angle of handle position 2 | Opening angle of handle stop pin removed | Hand force N | Holding force F1 N | Holding force F2 N | Clamping force F3 N | Clamping force F4 N |
| 05908-005001 | M5x25 | 16 | 25 | 4,5 | 14 | 24 | 33 | 13,2 | 9,1 | 22 | 22,5 | 19,1 | 4,5 | 108,5 | 63,5 | 35 | 100° | - | 133° | 64° | - | 67° | 100 | 750 | 1050 | 620 | 750 |
| 05908-006001 | M6x35 | 14 | 29 | 7 | 12 | 27 | 38 | 17,5 | 12,4 | - | 43,5 | 24,7 | 5,5 | 156,2 | 86,5 | 53 | 56° | 83° | 156° | 46° | 56° | 84° | 160 | 1350 | 1650 | 920 | 1050 |
| 05908-008001 | M8x45 | 21 | 39 | 9 | 19 | 32 | 45 | 20,6 | 15,5 | - | 41,5 | 32,7 | 6,8 | 183,9 | 107 | 62 | 13° | 93° | 157° | 16° | 61° | 86° | 190 | 2000 | 2800 | 940 | 1350 |
| 05908-010001 | M10x55 | 32 | 50 | 8 | 27 | 45 | 64 | 25,5 | 18,4 | 38 | 47 | 38,7 | 9 | 222,9 | 153 | 95 | 6° | 97° | 176° | 19° | 59° | 89° | 250 | 2500 | 4500 | 1500 | 2800 |
| 05908-012001 | M12x70 | 32 | 53 | 10,5 | - | 45 | 63 | 28 | 20,9 | - | 47 | 46,7 | 8,8 | 242,4 | 173,5 | 113,5 | 11° | 88° | 164° | 24° | 60° | 89° | 280 | 3000 | 5500 | 1400 | 2800 |
Konstruktion

